欢迎访问乐竞lejing(中国)环保官网,主营:湿式除尘器,布袋除尘设备,除尘设备,有机废气乐竞入口,废气乐竞入口设备!

全国服务热线

4008-616-212

废气乐竞入口设备(除尘设备)有机废气乐竞入口-[乐竞lejing(中国)环保],11年高品质领导者
当前位置:首页 » 乐竞lejing(中国)资讯 » 乐竞lejing(中国)动态 » 如何解决铝切割粉尘乐竞入口中的堵塞问题?

如何解决铝切割粉尘乐竞入口中的堵塞问题?

文章出处:乐竞lejing(中国)环保乐竞lejing(中国)动态网责任编辑:颜小姐作者:颜小姐人气:-发表时间:2021-09-26 00:00:00【

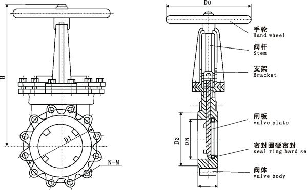
  铝切割粉尘废料下料时,通常都会采用刀型闸阀对其进行阻断,下面我们来具体看看刀型闸阀的工作原理到底是怎样的,它又解决了铝切割时的哪些疑难问题呢?

 

 

铝切割粉尘 

闸阀结构图

 

 

铝切割粉尘超薄型的刀闸阀以其体积小、流阻小、重量轻、易安装、易拆卸等优点彻底解决了普通闸阀、平板闸阀、球阀、截止阀、调节阀等阀门,流阻大、安装难、占地面积大等疑难问题。

 

 

铝切割粉尘 

 

 

某生产车间尘土比较大因铝切割粉尘刀型闸阀工作中不顺畅造成下列一些难题:

1.刀型闸阀密封面碾磨得不太好;

2.密封圈与阀座、阀办相互配合不严实;

3.阀办与阀座联接不牢固;

4.阀座弯扭,使左右关掉件不对中;

5.关掉太快,密封面触碰欠佳或早就毁坏;

6.铝切割粉尘灰尘等残渣置入,或生产系统中有机械设备零配件掉下来塞住阀心,使刀型闸阀不可以关紧;

7.表面光泽度不足;

8.或是有废弃物卡在导轨;

 

 

铝切割粉尘 

 

 

应用及清除铝切割粉尘刀型闸阀时要留意:

1.刀型闸阀的开闭件是闸板,闸板的运作方位与液体方位相竖直,刀型闸阀只有作开启和关完,不可以作调整和节流阀。

2.铝切割粉尘闸板有两个密封面,最常见的方式闸板阀的2个密封面产生契形、契形角随闸阀主要参数而异,一般 为50,楔式刀型闸阀的闸板能够制作成一个总体,称为刚度闸板。

3.还可以制成能造成轻微变型的闸板,以缓解其工艺性能,填补密封面视角在生产过程中形成的误差,这类闸板称为延展性闸板刀型闸阀关掉时,密封面能够只借助媒介的压力来密封,即借助媒介工作压力将闸板的密封面压向另一侧的阀座来确保密封面的密封,这就是自密封。

4.绝大多数铝切割粉尘刀型闸阀是运用强制性密封的,即闸阀关掉时靠外力作用强制将闸板压向阀座,以确保密封面的密封性。

5.应用柴油机清理尘土

6.有时候应用小量汽车机油(只有表面略微有点儿久能够)汽车机油黏性很大非常容易积攒尘土;

7.应用汽车机油全过程尽可能留意不能有很大脏东西带到。

 

 

铝切割粉尘 

 

 

乐竞lejing(中国)环保拥有设计、制造和熟练铝切割粉尘安装队伍,工艺设计合理,成本控制好,安全高效,设备回购率达业务量的60%,我们用真诚回报客户的信任!

 

 

详情请拨打24小时技术服务热线:4008-616-212

 王经理手机(微信同号):15962527707

 

  

 

 

  乐竞入口

  服务热线:4008-616-212

  电话:0512-55186759
   
  E-mail:ycw26688@126.com

  地址:昆山市千灯镇红星路20号