欢迎访问乐竞lejing(中国)环保官网,主营:湿式除尘器,布袋除尘设备,除尘设备,有机废气乐竞入口,废气乐竞入口设备!

全国服务热线

4008-616-212

当前位置:首页 » 乐竞lejing(中国)资讯 » 常见问题 » 如何解决铝切割除尘设备粉尘乐竞入口中的有机废气乐竞入口堵塞问题?

如何解决铝切割除尘设备粉尘乐竞入口中的有机废气乐竞入口堵塞问题?

文章出处:乐竞lejing(中国)环保常见问题网责任编辑:颜小姐作者:陶先生人气:-发表时间:2019-08-19 09:08:00【

   在铝切割废料下料时,通常都会采用刀型闸阀对其进行阻断,下面我们来具体看看刀型闸阀的工作原理到底是怎样的,它又解决了铝切割时的哪些疑难问题呢?

 

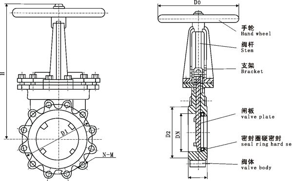
  刀型闸阀:超薄型的刀闸阀以其体积小、流阻小、重量轻、易安装、易拆卸等优点彻底解决了普通闸阀、平板闸阀、球阀、截止阀、调节阀等阀门,流阻大、安装难、占地面积大等疑难问题。

 

 刀闸阀结构图

刀闸阀结构图

 

  刀型闸阀具有良好的剪切作用,适宜于浆料、粉粒料、纤维等难以控制的流体,广泛应用于造纸、石化、矿山、排水等行业。具有多种阀座可供选择,并且可依据现场控制需求,配备电动或气动执行器,实现阀门的自动化操作。

 

 刀型闸阀

 

  某车间灰尘较大因刀闸阀工作不流畅导致以下几个问题:

   1.闸阀密封面研磨得不好;

   2.密封圈与阀座、阀办配合不严紧;

   3.阀办与阀杆连接不牢靠;

   4.阀杆弯扭,使上下关闭件不对中;

   5.关闭太快,密封面接触不好或早已损坏;

   6.尘土等杂质嵌入,或生产系统中有机械另件脱落堵住阀芯,使刀闸阀不能关严;

   7.表面光滑度不够;

   8.或者有废料卡在滑轨;

 

刀型闸阀 

 

  因此使用及清理刀型闸阀时应注意:

   1.刀型闸阀的启闭件是闸板,闸板的运动方向与流体方向相垂直,刀型闸阀只能作全开和全关,不能作调节和节流。

   2.闸板有两个密封面,常用的模式闸板阀的两个密封面形成楔形、楔形角随阀门参数而异,通常为50,楔式刀型闸阀的闸板可以做成一个整体,叫做刚性闸板。

   3.也可以做成能产生微量变形的闸板,其工艺性,弥补密封面角度在加工过程中产生的偏差,这种闸板叫做弹性闸板刀型闸阀关闭时,密封面可以只依靠介质压力来密封,即依靠介质压力将闸板的密封面压向另一侧的阀座来保证密封面的密封,这就是自密封。

   4.大部分刀型闸阀是采用强制密封的,即阀门关闭时靠外力强行将闸板压向阀座,以保证密封面的密封性。

   5.使用柴油清洗灰尘

   6.偶尔使用少量机油(只能表面稍微有点久可以)机油粘性太大容易积累灰尘;

   7.使用机油过程尽量注意不要有大异物带入。 

 

刀型闸阀 

 

  乐竞lejing(中国)环保拥有设计、制造和熟练安装队伍,工艺设计合理,成本控制好,设备回购率达业务量的60%,我们用真诚回报客户的信任!

 

详情请拨打24小时技术服务热线:4008-616-212

 王经理手机(微信同号):15962527707

 

 

  

 

 

  乐竞入口

  服务热线:4008-616-212

  电话:0512-55186759
   
  E-mail:ycw26688@126.com

  地址:昆山市千灯镇红星路20号