欢迎访问乐竞lejing(中国)环保官网,主营:湿式除尘器,布袋除尘设备,除尘设备,有机废气乐竞入口,废气乐竞入口设备!

全国服务热线

4008-616-212

废气乐竞入口设备(除尘设备)有机废气乐竞入口-[乐竞lejing(中国)环保],11年高品质领导者
当前位置:首页 » 乐竞lejing(中国)资讯 » 乐竞lejing(中国)动态 » 沸石转轮浓缩+RTO焚烧技术治理挥发性有机物在印刷行业中的应用

沸石转轮浓缩+RTO焚烧技术治理挥发性有机物在印刷行业中的应用

文章出处:乐竞lejing(中国)环保乐竞lejing(中国)动态网责任编辑:蔡作者:蔡人气:-发表时间:2023-02-17 00:00:00【

  1印刷行业VOCs治理技术概述

目前,针对挥发性有机废气的主流治理技术主要包括吸附法、吸收法、燃烧法、冷凝法、生物法等,有机废气的乐竞入口技术对比见表1。结合印刷企业有机废气的特点,单一的乐竞入口工艺很难达到有效治理废气的目标,一般工程设计单位会根据有机废气特征,在确保尾气达标的前提下,尽可能采用成熟可靠、乐竞入口效率高的乐竞入口工艺或者联合乐竞入口工艺,达到治理目的。

 

    

 

2昆山乐竞lejing(中国)环保方案设计-沸石转轮浓缩+RTO焚烧

为达到环保目标,针对自身印刷废气大风量、低浓度、含多种有机成分的特点,天津某印刷企业有机废气治理技术的设计思路为吸附脱附燃烧法联合乐竞入口工艺。下文针对吸附剂、脱附剂、燃烧方式的选取进行简要分析。 

2.1 吸附剂选择

 气体吸附分离成功与否,极大程度上依赖于吸附剂的性能,因此选择吸附剂是确定吸附操作的首要问题。工业上常用的吸附剂有:硅胶、活性炭、活性氧化铝、分子筛等,其中活性炭是应用最广泛的吸附剂,沸石材料是一种安全高效吸脱附材料,两者吸附特性对比情况见表2。

 

 

由此可知,沸石克服了活性炭不能高温脱附和不适合高湿度的弊端,是一种替代传统活性炭的安全高效吸脱附材料。 

2.2 脱附剂选择

选择空气作为脱附剂,首先气源不需要外购,其次,由于空气中含有氧,可以为后续燃烧提供氧原料。因此,只要控制好有机物浓度在爆炸下限内,选择空气作为脱附剂是经济实惠、安全可靠的选择。

2.3 燃烧技术选择 

燃烧法是利用有机气相污染物易燃烧的性质,由于燃烧,可以使废气变成无机小分子,这种方法包括催化燃烧法和直接燃烧法两类。催化燃烧采用催化剂代替火焰,优点是操作温度低,但是催化剂容易中毒失活,更换催化剂费用昂贵。直接燃烧法工艺简单、燃烧彻底,但能耗大,目前陶瓷蓄热体的合理利用可以降低能耗,减少运行成本。 

3 工艺介绍

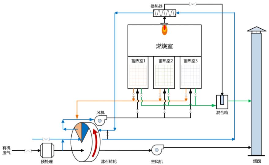
沸石转轮浓缩+RTO焚烧乐竞入口工艺主要由沸石转轮浓缩(吸附区域、脱附区域、冷却区域)、脱附系统、蓄热燃烧系统(RTO 炉体、陶瓷蓄热体、燃烧系统等)及控制系统等部分组成。 

 

 

吸附脱附:沸石分子筛转轮吸附浓缩系统利用吸附脱附冷却这一连续性过程,对VOCs废气进行吸附浓缩,沸石分子筛转轮分为吸附区、脱附区和冷却区三个功能区域。废气进入沸石分子筛转轮的吸附区,VOCs被沸石分子筛吸附除去,被净化后排出。吸附在分子筛转轮中的VOCs,在脱附区经过约200℃小风量的热风乐竞入口而被脱附、浓缩。再生后的沸石分子筛转轮在冷却区被冷却,如此反复。

蓄热式燃烧:脱附后的高浓度小风量废气进入RTO乐竞入口系统,首先进入RTO蓄热室1的陶瓷介质层,陶瓷释放热量,温度降低,而有机废气吸收热量,温度升高,废气离开蓄热室后以较高的温度进入氧化室。在氧化室中,有机废气由燃烧器加热升温至设定的氧化温度800℃以上,使其中的VOC分解成二氧化碳和水后排放。

废气流经蓄热室1升温后进入氧化室氧化,净化后的高温气体离开氧化室,进入蓄热室2,释放热量,降温排出,而蓄热室2吸收大量热量后升温,同时清扫蓄热室3。循环完成后,进气与出气阀门进行一次切换,进入下一个循环,废气由蓄热室2进入,蓄热室3排出,清扫蓄热室1。如此交替。由于废气已在蓄热室内预热,燃料耗量大为减少,运行成本大大降低。

4 运行效果

根据实际运行情况来看,该治理工艺性能稳定、操作简单、安全可靠、无二次污染、设备占地面积小。特有的沸石材料保证转轮装置的高吸、脱附效率,使原本大风量、低浓度的VOC废气,转换成小风量、高浓度的废气;沸石转轮吸附VOC所产生的压降极低,大大减少风机电力能耗;沸石转轮浓缩倍数达到20-30倍,大大缩小焚烧设备规格,降低投资和运行成本;高去除率的转轮设计保证经过转轮浓缩后的排放废气,可达到国家排放标准;RTO与直接燃烧相比具有可充分利用热能,能耗小的显著特点;乐竞入口效率高,Z终产物为无害的CO2和H2O,因此无二次污染问题。

乐竞入口,专注于大型工厂废气乐竞入口、粉尘乐竞入口,是一家集废气粉尘乐竞入口系统设计、制造与销售为一体的生产厂家。主营产品有RTO蓄热焚烧RCO蓄热催化燃烧、有机废气乐竞入口设备、冷凝回收、防爆除尘器、酸碱废气乐竞入口设备、滤筒除尘器、布袋除尘器、单机除尘器、仓顶除尘器、旋风除尘器、喷淋塔、活性炭吸附、静电除油设备等。

  

如有沸石转轮浓缩+RTO焚烧方面的问题需要解决,欢迎与我们公司取得联系。解决1500+企业粉尘问题,一厂一方案过环评

详情请拨打24小时技术服务热线:180-6841-2162

或访问乐竞lejing(中国)环保官网:www.errip.com

乐竞lejing(中国)环保微信公众号:ksxinlan

Email:ycw26688@126.com

 

 

  

 

 

  乐竞入口

  服务热线:4008-616-212

  电话:0512-55186759
   
  E-mail:ycw26688@126.com

  地址:昆山市千灯镇红星路20号

 

 

此文关键字:沸石转轮浓缩+RTO焚烧