涂装是现代产品制造工艺中的一个重要环节。涂装的过程中,使用到的油漆辅料等,在喷涂和干燥成膜的过程中,会挥发出有机化合物,在生产场所的环境造成污染,并对员工的身体健康造成不好的影响。
含硅废气一直都是业内一难题,有机硅不溶于水,无法用洗涤塔这种传统方式治理,有机硅在高温条件下与氧气反应产生二氧化硅结晶体,这种结晶体很容易造成催化剂表面微孔的堵塞而失活,所以不适合使用催化剂,这种结晶体同样会堵塞RTO里面的陶瓷蓄热体。因此,RTO焚烧工艺也不适合使用。本文采用沸石转轮+TO直燃炉工艺乐竞入口此类废气,取得比较理想的效果。
一、VOCs治理方法概述
目前,针对挥发性有机物的末端治理方法主要有:吸附法、吸收法、生物降解法、冷凝法和燃烧法。考虑项目建设投入、乐竞入口效果及经济适用性,针对本案所提及的大风量、低浓度的含硅废气,采用浓缩之后再直燃式焚烧的组合工艺。
二、沸石转轮+TO直燃炉工艺
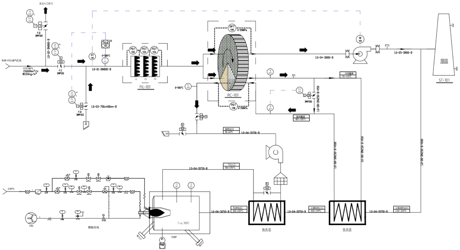
在有机废气治理行业中,将质量浓度低于1000mg/m3的有机废气统称为低浓度有机废气。对于低浓度有机废气的治理,沸石转轮浓缩+TO工艺得到广泛应用,即采用疏水性沸石分子作为吸附剂将废气中的低浓度的VOCs吸附下来,使废气净化后排放,经一段时间的吸附后,沸石分子达到饱和状态,再用热空气对沸石分子进行脱附解吸,形成小风量、高浓度的有机废气,再进行高温分解无害化乐竞入口。
这种工艺净化效率高,设备运行稳定,后期维护简单方便,但对工艺设计要求也相对较高。
2.1-沸石转轮浓缩技术
沸石转轮浓缩是一种应用于大风量、低浓度的有机废气净化技术,沸石转轮主体为一个装满沸石分子筛的旋转轮,根据其在实际工作中的状态,沸石转轮分为吸附区、脱附区及冷却区。
沸石分子筛是沸石转轮的核心,本身作为一种疏水性材料,能适应更高的废气湿度,且有耐高温的特性,区别于活性炭这种广谱吸附剂,其具有较为均一的吸附孔径,故其孔洞直径具有“分子筛分”的作用,具有选择吸附性,更加安全可靠。
沸石转轮浓缩吸附是一个不断循环往复的旋转过程,从生产车间收集的废气,经过过滤器过滤后,进入到沸石转轮的吸附区,有机废气在主风机的作用下,通过转轮的吸附区本体,废气中的有机成分被吸附在分子筛内从而截留下来,干净的气体经烟囱排出。沸石转轮继续转到脱附区,截留在分子筛内的有机物,在此区域内被180~220℃的高温气体“蒸”出,带出转轮,在脱附区吸附饱和的分子筛得到“重生”,但此时高温的轮体仍未恢复完全的吸附作用,转轮需要继续旋转到冷却区,在冷却区高温干净的轮体,与过滤后的室外新风进行换热,使轮盘的温度下降至40℃以下,从而具备重新转入下一个循环的吸附条件,同时在换热过程中对脱附的热风进行了一次温度提升,为脱附风的快速升温提供条件,同时起到节约能源的效果。沸石转轮就是这样不断循环往复地重复着“吸附-脱附-冷却”的过程,实现有机废气乐竞入口的功能。
2.2-TO直燃炉
本文所提及的废气为含硅废气,由于有机硅在高温的条件下容易与氧气反应形成二氧化硅结晶体,这种结晶体容易堵塞催化剂表面微孔,致使催化剂物理失活;同时这种结晶体也能堵塞陶瓷蓄热体的废气孔道,一方面影响废气的通过效率,同时又降低了陶瓷蓄热体的换热效率,所以上述含硅废气的乐竞入口,既不适用催化氧化法,也不适用蓄热焚烧法,这样一来TO直燃炉成为适用的乐竞入口工艺。
三、结论
针对本文所述的大风量低浓度混合型的有机含硅废气,沸石转轮吸脱附+TO直燃炉具有高效、安全、经济的特点,对废气中苯系物、酯类、醇类物质的吸附效率可达90%~97%。沸石转轮分子筛材质不可燃、安全性好,可在高温下进行脱附再生。
乐竞入口多年来专注于沸石转轮+TO直燃炉设计、制造和安装。我们产品有RTO蓄热焚烧、RCO蓄热催化燃烧、有机废气乐竞入口设备、冷凝回收、防爆除尘器、酸碱废气乐竞入口、滤筒除尘器、布袋除尘器、单机除尘器、仓顶除尘器、旋风除尘器、喷淋塔、活性炭吸附箱、静电除油设备等等。
详情请拨打24小时技术服务热线:180-6841-2162
或访问乐竞lejing(中国)环保官网:www.errip.com
乐竞lejing(中国)环保微信公众号:ksxinlan
![]()

乐竞入口
服务热线:4008-616-212
电话:0512-55186759
E-mail:ycw26688@126.com
地址:昆山市千灯镇红星路20号
